Page 47 - 《橡塑技术与装备》2025年11期
P. 47

综述与专论
                                                                                     SPECIAL AND COMPREHENSIVE REVIEW



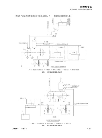
                    硫化蒸汽系统的外压凝结水回收系统见图 1,内                        压凝结水回收系统见图 2。








































                                                    图 1 外压凝结水回收系统图






































                                                    图 2 内压凝结水回收系统图

                2025     第   51 卷                                                                       ·3·
                      年
   42   43   44   45   46   47   48   49   50   51   52